摘要:本文研究基于STM32的光伏同步整流降压型稳压电源,旨在提升光伏领域电源的效率和输出电压稳定性。采用 STM32微控制器,结合同步整流技术和降压型变换器拓扑,精准配置定时器和PWM模块驱动MOS管,以优化开关过程。利用ADC模块实时采集输出电压,结合PID算法动态调整占空比,解决由负载变化和输入电压波动导致的输出不稳定问题。试验验证了在 50W 光伏板输入6 直流电压条件下,电源纹波低于 120mV ,效率高于 96% ,能够满足多种应用需求。该设计为电源系统提供了高效、稳定的解决方案。
摘要:针对现有方法在滚动轴承剩余使用寿命(Remaining Useful Life,RUL)预测方面不精准、效率低等问题,本文提出一种基于交叉注意力(Cross Attention,CA)机制、双向时间卷积神经网络(Bidirectional TemporalConvolutional Network,BiTCN)和双向门控循环单元神经网络(Bidirectional GateRecurrent Unit,BiGRU)的混合模型(BiTCN-BiGRU-CA)。对原数据集进行预处理,使用BiTCN和BiGRU提取轴承振动信号的时间以及空间特征,利用CA层进行特征融合,再利用全连接层得到模型预测结果。验证试验使用PHMIEEE2012轴承数据集。试验结果表明,本文提出的混合模型 BiTCN-BiGRU-CA在滚动轴承剩余寿命预测方面准确率较高。
摘要:为对无人机在复杂环境中的自主避障路径进行规划,本文提出了一种基于深度强化学习的优化方法。构建概率图模型,以表征环境状态空间,设计多目标自适应奖励机制,并结合深度确定性策略梯度(DeepDeterministic Policy Gradient,DDPG)算法框架,进行端到端的策略学习,提高了无人机在动态障碍物场景中的避障性能。试验结果表明,与传统人工势场法相比,采用本文方法,碰撞率更低、能量效率更高,规划时延更短,特别是在高密度障碍物环境中,鲁棒性更高。
摘要:智能机器人在复杂动态环境中的路径规划是当前研究的关键问题,传统方法(例如 A* 、Dijkstra、快速随机树(Rapidly-exploring Random Tree,RRT)等)存在计算效率低、适应性差等问题。本文提出一种将卷积神经网络(Convolutional Neural Network,CNN)与深度强化学习(Deep Q-Network,DQN)相结合的路径规划优化方法,利用CNN提取环境空间特征,结合DQN进行动态路径决策优化。在 .20×20%50×50 网格环境中进行的试验结果表明,与A\*算法相比,使用该方法的平均路径长度缩短了 14.3%~18.9% ,计算时间减少了46.2%~50.0% ,避障成功率提升至 92.1% 。本文方法能够解决动态环境中的路径规划问题,为智能机器人自主导航提供了更高效的解决方案。
摘要:为了进行变电站故障点检测,本文提出一种基于生成式对抗网络(Generative AdversarialNetworks,GAN)的红外(Infrared Radiation,IR)图像与可见光(VisibleImages,VI)图像融合方法,生成边缘增强、质量更好的融合图像。在生成器中,采用边缘损失函数表示感知边缘。在鉴别器中,最小化视觉几何群(VisualGeometry Group,VGG)网络特征空间中的Waserstein距离,提高融合图像与可见光图像之间的纹理相似性。试验结果表明,采用本文方法,故障区域更加明显,细节增强,能够准确检测故障点。
摘要:针对在计算机图形渲染过程中普遍存在的边缘锯齿问题,本文提出了一种跨平台、通用的图形抗锯齿渲染方法。使用OpenGL开放图形库,控制图形的边缘模糊渐变程度,可以高效绘制平滑线段、多边形等基础图形。试验结果表明,与常规渲染方式相比,采用本文方法,能够在不增加GPU开销的前提下消除 95% 以上的边缘锯齿,适用于当前市场主流的图像处理软件。
摘要:随着全球能源危机和环境问题日益严重,发展分布式新能源成为必然趋势。本文针对百兆瓦级分布式新能源管理的核心问题,提出了一种多智能体协同管理系统。系统采用数据驱动与智能优化相结合的方法,包含4个功能模块:数据采集与处理、智能预测、多智能体协同控制和安全防护。仿真试验结果表明,与传统集中式管理系统相比,本文系统的功率预测精度、稳定性、电能质量和新能源消纳率更高,运行成本更低,能够为新型电力系统建设提供技术支持。
摘要:随着工业发展,大型旋转机械广泛应用于各领域,其轴承振动监测对设备稳定运行意义重大。传统电传感技术在监测中易受电磁干扰等因素影响,测量稳定性与精度欠佳。因此,本文优化了微纳结构光纤,精准控制仪器仪表FBG传感器写入参数,并选用特定单模光纤,对其进行微纳结构加工与包层设计,采用卷积神经网络设计信号解调系统。试验结果表明,新型光纤传感测量频率稳定性高,波动范围仅 .0.2Hz ,远小于传统电传感的1.2Hz 。并且新型光纤传感抗电磁干扰能力强,各工况下的误差率较低。新型光纤传感技术在大型旋转机械轴承振动仪器仪表中的应用优势显著,具有广阔应用前景。
摘要:火力发电厂输煤栈桥用于电厂燃料输送,其电机设备存在热故障风险,需要加强状态监测。本文针对输煤栈桥电机设备的典型工作环境和测温需求,设计了一种基于热红外成像的智能测温系统,由前端多源测温单元、云台定位装置、边缘计算节点和云端管理平台等模块组成,并重点探讨了系统的关键技术设计,包括高灵敏度热红外成像仪及其光学镜头参数优化、直接测温中的动态发射率标定方法、间接测温中的热网络插值计算模型以及基于热电偶的自适应环境温度补偿方法,提出了基于高低温黑体炉的定期标定方案。
摘要:为了减少声发射数据中的环境噪声干扰,提高材料损伤模式识别的准确性,本文提出一种基于CFSFDP(Clustering byFast Search and Findof Density Peaks)的聚类算法和小波阈值的声发射信号去噪方法。首先,对碳纤维增强复合材料(Carbon Fiber Reinforced Plastics,CFRP)进行三点弯曲试验,采集声发射数据。其次,通过CFSFDP聚类算法标记halo点(halo points),并进行小波阈值去噪处理。最后,对halo点和所有数据点去噪后的信噪比均值和均方根误差进行评价,验证了本文方法具有有效性,既能提高效率,又能保留信号的细节与趋势,为后续故障模式的分析提供可靠基础。
摘要:高频电磁场是现代电力系统的重要干扰源,对电力设备的安全运行具有重要影响。本文分析了电磁场传播特性,探究其对变压器、断路器和互感器等设备的影响机制。研究表明,多层复合屏蔽结构能够有效降低 80% 以上的电磁干扰,优化接地网布局可以减少 30% 的感应电流,合理配置滤波装置能够将谐波含量控制在国家标准范围内。试验结果验证了屏蔽防护、接地优化和滤波抑制等措施的有效性,为电力设备电磁防护设计提供了技术支撑。
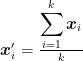
摘要:随着信息技术发展,虚拟实验平台成为大学物理实验教学的重要补充手段。本文基于LabVIEW虚拟仪器开发平台,对电位差计实验箱内部模块进行了虚拟仿真设计,开发了一个虚拟十一线电位差计实验仪,对实际仪器的功能进行仿真,能够进行待测电动势测量、电源内阻测量、电源内阻与温度关系、电流表改装与校准实验。同时开发了配套的数据处理程序,提高了数据处理的准确度和结果的直观性。该虚拟十一线电位差计实验仪的仿真设计与实现,能够为一线教育工作者开发虚拟仿真实验平台提供借鉴与参考。
摘要:为了提升变电一次设备状态智能检修效果,提高运行状态稳定系数,本文提出基于深度卷积神经网络的变电一次设备状态智能检修方法。检测变电一次设备状态,获取设备状态信息;输入深度卷积神经网络进行训练,提取变电一次设备状态特征,诊断一次设备状态类型,以提高检修的效率和准确性;根据设备状态诊断结果生成报告,并对故障状态维修做出智能决策,进行基于深度卷积神经网络的变电一次设备状态智能检修。试验证明,经本文设计方法检修后,稳定系数不低于0.8,可以实现变电一次设备状态的智能检修。
摘要:在数控加工拐角过渡变形误差补偿的过程中,映射补偿的方法可能受刀轴矢量影响,存在补偿点位偏差问题,导致补偿后仍存在较大的变形误差。为了解决该问题,本文提出了数控加工拐角过渡变形误差补偿技术。计算工件在数控加工过程中所受铣削力和切削力,预测相应的拐角过渡变形误差。以此为所需补偿量,在考虑刀轴矢量影响的情况下,设计误差补偿的参考基准,精准定位补偿点位,从而进行误差补偿。试验测试结果表明,采用该数控加工拐角过渡变形误差补偿技术补偿后的理想表面差值较小,变形误差得到了有效补偿。
摘要:本文研究了广播电视信号融合处理与多平台分发技术。采集广播电视信号,经过信号编解码处理对信号进行压缩、解压缩和格式转换,以满足不同分发平台的要求。运用多信号源融合技术整合信息,采用内容分发策略对融合信号进行优先级排序,封装并发送到分发队列,广播到区域内的所有节点。选择所需时间要求较短的信息进行层中调度分发。结果表明,进行分层处理后,试验组任务完成时间最少,为 100ms ;算法在集群调度中的效率更高,并且其负载均离差低于0.35,平衡差异更小,在任务调度和负载平衡方面具有优越性能,取得了良好的应用效果。
摘要:在新能源配电网电力调度优化中,为了应对实时功率波动,本文根据分区功率需求与新能源发电设备输出功率关系构建目标函数。在新能源渗透率高并且分散的分区,设定最大化新能源出力利用率目标;在重要负荷集中分区,选用电压偏差平方和为目标。同时设定配电网节点电压等约束条件。构建优化模型后,运用改进粒子群算法获取相邻子区解协调优化结果,添加虚拟功率,取得总功率波动优化效果,全面考虑多因素并设定成本系数,以进行调度优化。试验表明,优化后风电功率利用率提升至 78%~83% ,频率偏差从0.12Hz~0.16Hz 降至 .0.06Hz~0.09Hz ,证明该方法适用。
摘要:配电网运行的电压等级较低,产生的短路电流非常微弱,极易影响电流保护设备的响应速度,因此本文深入设计、分析了分布式光伏发电系统并网对配电网电流保护的影响。分析了配电网电流负载信息和配电网电流故障特征信息,得出分布式光伏发电系统的最佳并网接入方案。按照方案并网接入分布式光伏发电系统,同时对配电网电流保护参数进行整定,进行配电网电流保护。仿真测试结果显示,基于分布式光伏发电系统并网的配电网电流保护整体反应时间不超过 25ms ,无明显噪声等环境污染。证明分布式光伏发电系统并网能够保障配电网电流安全,提高快速响应能力,并降低环境污染性。
摘要:本文针对风电光伏接入系统的稳定性和可靠性问题进行研究,结合蓄电池和超级电容的优势,提出混合储能系统对电力系统动态功率进行补偿控制的方法,以解决风电和光伏发电的间歇性和不稳定性问题。研究结果表明,混合储能系统能够有效维持电力系统母线电压稳定,实现光伏、风机的发电量与负载所需电量间的平衡。该系统在测试中具有较快的能量转换和响应速度,达到了预期的性能指标。本研究在混合储能技术的应用上具有创新性和实用价值,为风电光伏接入系统的稳定运行提供了有力保障。
摘要:在电力网络架构持续扩展的背景下,电网运行中频繁出现低频振荡现象,这对系统安全、稳定构成潜在威胁。针对此问题,亟需深入探究引发电力系统低频振荡的影响因素,本文基于扩展等面积准则理论,运用PSASP软件分析四发电机两区域系统中各机组功角的动态特性,识别对系统稳定性影响最大的低频振荡模式,再利用Prony信号处理的方法,获取信号的轨迹特征根。主要探讨励磁系统模型对系统低频振荡模式的影响,并提出在计算分析过程中应关注的技术要点,为实际运行电力系统的调度和运行提供参考。
摘要:某输电线路工程的部分杆塔属于覆冰区段,在覆冰、脱冰情况下,输电杆塔的结构件受到附加载荷的作用,存在一定的变形破坏风险。为了掌握杆塔主要结构组件破坏应力的影响因素,该研究利用ABAQUS软件建立杆塔的有限元模型,设置相应的载荷,改变螺栓预紧力大小,模拟计算螺栓、Q235连接板、Q345连接板、Q235杆件、Q345杆件、Q420杆件6种结构组件的Mises应力,并且对比Mises应力和材料的许用应力。结果表明,不同工况和相异的螺栓预紧力会改变杆塔结构组件的Mises应力,当Mises应力超过材料的许用应力时,构件处于可造成变形破坏的应力范围。
摘要:本文阐述的机械外骨骼需要解决的问题是提高机械外骨骼的动作灵活性、增加每个关节的自由度。为了解决该问题,需要使用并联运动机构作为肩、腕、髋、踝这4个重要关节的机械结构,并且该机械外骨骼的上下身之间使用仿生脊柱连接,使其拥有接近人体关节的灵活度。在此构想的基础上,本文研究 1:1 的可穿戴试验模型结构的可行性。通过多次户外行走测试和改进,证明该结构是可行的,并且强度能够支撑其运动。
摘要:该研究通过结合经验模态分解(Empirical Mode Decomposition,EMD)与Hilbert 变换,探讨如何有效提取行波信号中的瞬时频率以及相位信息,对故障位置进行精确定位。研究回顾了传统的单端与双端行波测距法,分析了它们各自的优缺点,指出传统方法在复杂故障情况下的局限性。在此基础上,研究结合Hilbert-Huang 变换的优势,提出了一种新的基于行波的故障定位方法。该方法通过标定行波波头到达时刻,选取合适的定位算法,并通过波速确定来优化测距精度。试验结果表明,与传统方法相比,基于HHT的行波定位方法在故障定位精度方面具有显著优势。通过本研究的成果,能够提高输电线路故障定位的精确性和电力系统的故障处理效率,对提高电网的可靠性提供了一定的帮助。
摘要:气体绝缘金属封闭开关属于电力系统的关键设备,其主要结构组件封闭在金属外壳内部,难以快速排查故障。因此为了提高故障诊断效率,研究过程以该设备在运行过程中的声信号为数据源,利用分层脉冲神经网络模型提取声信号的特征,输出神经脉冲发放率频谱,再将该频谱作为输入数据,运用经过空间频率模块优化的GhostNet神经网络模型对其进行故障分类诊断。将准确率、 F1 分数、乘加累计操作数作为故障诊断模型的性能评价指标,结果显示,此次建立的机械故障诊断模型在准确率和乘加累计操作数两项指标上优于同类算法,乘加累计操作数仅小幅增加。
摘要:为了解决加热不燃烧烟支实际温度布局检测难度较大,难以获取全面的温度分布数据的问题,本文以该类型卷烟为研究对象,采用有限元方法对包括烟具和烟支一体化模型进行分析,以热量传递、温度分布以及抽吸过程烟气流动为内容进行数值分析研究。通过仿真结果分析获取了热量的传递、温度分布以及流动速度对抽吸的影响以及烟具设计中预留气流通道、托杯体上的通气道等结构形式与尺寸等对抽吸产生的影响,为该类卷烟体系提供了优化数据依据。
摘要:为了实现沥青混凝土路面新型超薄磨耗层黑化的高质量施工,本文提出基于YOLOX + OpenCV的沥青混凝土路面新型超薄磨耗层黑化施工关键技术的研究。首先,利用YOLOX目标检测算法结合改进后的损失函数ECIoU,快速识别路面裂缝、坑洼、剥落、黑化点等病害,并通过OpenCV图像处理技术锁定病害位置、提取特征信息。其次,运用YOLOX + OpenCV技术监控拌合楼状态、管道清洁度、胶结料温度等关键参数,确保混合料质量符合要求,并对所得混合料的高温性能、抗滑性能、抗裂性能等进行全面检测,保证施工材料的质量。最后,针对不同路面病害问题制定处理方案,并严格控制摊铺和碾压的施工过程。
摘要:本文采用复掺水泥、石灰及粉煤灰无机结合料的方式,基于正交试验原理,研究了改良碳酸盐渍土的最大含水率、最大干密度、无侧限抗压强度及CBR随无机掺合料掺量的变化规律。掺入无机结合料可有效改善碳酸盐渍土的路用性能,根据极差分析结果,确定了无机结合料掺量对碳酸盐渍土最大含水率、最大干密度、无侧限抗压强度及CBR的影响规律。采用矩阵分析法确定改良碳酸盐渍土最佳配合比及路用性能模型。
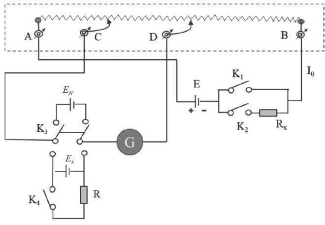
摘要:本文针对混凝土大坝施工的多因素影响问题,提出了一种粒子群分析方法。通过粒子位置、速度等状态方程设定,设计了动态权重配置和惩罚因子,使粒子群方法与本文核心研究问题对应。在确立混凝土坝施工过程3个子系统、6类影响因素的基础上,运用所提出的粒子群算法进行各影响因素分析。仿真试验的结果表明,材料拌和时间、相邻仓之间施工间隔时间、重车运行时间是最重要的3个影响因素。
摘要:为了解决在国土空间规划中,科学景观可视化因易受预测验证效果影响而导致土地资源利用率偏低的问题,本文提出基于多目标优化遗传算法的国土空间规划方法。该方法按照交叉变异与选择关系获取最优解,进行基因编码,利用多目标优化遗传算法确定空间分布权重,进行预测验证,生成土地利用变化矩阵,输入该矩阵构建国土空间规划模型,完成国土空间规划。试验结果表明,应用所提方法后,不同时间周期下得到的国土空间规划利用率均较高,波动平缓,与区域发展状态相适配,具有规划显著适配性。
摘要:为进一步提高轻质混凝土装配式建筑结构梁力学性能,本研究提出利用铁尾矿粉提高混凝土梁的力学性能,进一步分析不同铁尾矿粉掺量的混凝土梁抗压强度及延性系数。试验结果表明,随着铁尾矿粉掺量增加,混凝土梁的抗压强度逐渐提高,当铁尾矿粉掺量为 10% 时,轻质混凝土装配式建筑结构梁的抗压强度最高,当铁尾矿粉掺量超过 10% 时,混凝土梁的抗压强度明显下降,且铁尾矿掺量为 10% 时,铁尾矿中的一些活性成分会与水泥水化产物发生反应,提高混凝土的密实度。因此当铁尾矿粉掺量为 10% 时,轻质混凝土装配式建筑结构梁的抗压强度及延性系数最大。
摘要:混凝土外墙水平施工缝防渗漏施工常面临处理不当、材料选用不合适及施工工艺不规范等问题,这些问题易导致墙体渗漏,影响建筑耐久性和安全性。因此,本文以某高层建筑为例,对混凝土外墙水平施工缝防渗漏施工技术进行研究。通过制作模板及横向施工接缝的防渗凸边,安装混凝土外墙铝合金模板,设计水平施工缝防渗漏企口装置,采用物理阻隔的方式,确保施工缝处的防水性能。在完成企口装置安装后,对水泥基渗透结晶型防水材料进行涂刷。结果表明,水平施工缝位置砂浆在显微镜下的密集度较高,空隙极小,说明砂浆的饱满度较高,同时,应用设计的方法,可以确保可连续测点的厚度为 8mm~12mm ,并通过连续24h的淋水试验。
摘要:大型船舶柴油机机架在横向振动数据采集过程中易受冗余噪声干扰,导致异常状态识别困难。因此,本文提出基于小波包信息熵的大型船舶柴油机机架横向异常振动识别。本文采用移动平均滤波技术,对大型船舶柴油机机架横向振动数据进行平滑及去噪预处理。利用小波包信息熵方法深入分析预处理后的数据,提取异常振动特征。通过引入特征平衡参数并采用加权平均法,融合处理这些异常振动状态特征,对特征进行有效整合。研究利用标记数据训练孤立森林模型,对大型船舶柴油机机架横向异常振动进行有效识别。试验结果表明,研究提出的异常振动识别方法具有较高的准确性和稳定性,具备良好的实际应用潜力。
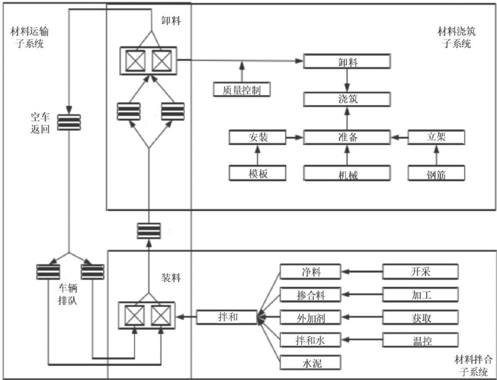
摘要:为研究3种工程应用中的复杂异形截面钢柱受力性能,本研究采用ABAQUS有限元模形分析了构件的骨架曲线、延性性能等关键参数的变化,针对4种异形截面钢柱在不同加载工况下的力学性能进行了系统分析。试验数据表明,“T”形截面构件主轴 X 方向受力时,其滞回环形状与 Z 向加载工况相比不够饱满,能量耗散能力和延性相对较差。对“十字”形截面柱来说,滞回曲线较为饱满,反映了良好耗能性能,结构延性较好。“L”形截面柱沿 X 方向进行静力侧推与往复加载,滞回曲线较为饱满,说明耗能性能良好。
摘要:为研究不同改性剂掺量对高黏沥青及其混合料性能的影响,本文进行了一系列试验,结果表明,USP掺量增加提高了高黏沥青的针入度和延度,降低了软化点,Sasobit掺量增加则提高了软化点,降低了针入度和延度。最佳掺量为USP 5% ,Sasobit 2.5% ,复掺的最佳组合为5%USP +2.5E %Sasobit,高黏沥青混合料,掺入USP提高低温性能,但降低高温性能,Sasobit可以提高高温性能,但会降低低温性能,复掺两者能平衡高低温性能,优化路用性能。老化试验显示,温拌改性高黏沥青混合料的高温性能提高,低温性能略有减弱,整体耐久性较好。
摘要:本文旨在通过基于自适应模拟退火-反向传播(SSA-BP)算法的边坡稳定性预测模型,评估和优化某水电站复杂地质条件下边坡工程的安全性和稳定性。首先,收集岩土物理力学指标、地下水位及地震动参数等数据。其次,对数据进行特征选择,确保模型能够准确反映边坡的实际情况。再次,通过反向传播算法和自适应模拟退火算法对神经网络进行训练,优化了模型的预测能力。最后,通过试验对模型进行验证,模型试验包括地表沉降和水平位移预测、支护桩位移预测以及坑底隆起效应预测,结果表明,边坡在设计地震作用下的稳定性良好,可以满足工程安全要求。
摘要:垃圾楚烧过程中产生的氮氧化物( NOx )是大气污染的主要来源之一。本文分析了垃圾楚烧发电过程中 NOx 的生成机制,探讨了炉内脱硝技术的基本原理与工艺设计,创新地将烟气再循环系统和SNCR系统结合,并将关键环节实现动态匹配和调节,以减少 NOx 的产生量。在实际应用中,通过联合使用烟气再循环和SNCR技术, NOx 排放浓度显著降低,氨逃逸得到有效控制,满足了国家及欧盟排放标准的要求。
摘要:污水生物除磷脱氮工艺是水处理领域的关键技术,直接影响水质改善与资源回用效率。然而,传统工艺存在处理能力不足和高能耗等问题,亟需通过优化参数提高其整体性能。本文围绕碳源管理、温度与 ΔpH 调节、曝气系统优化等关键因素,提出了一套系统化的优化方案。通过试验数据分析和数学建模,验证了这些优化措施在提高磷氮去除率和能源利用效率方面的显著效果。优化后的工艺不仅有效提高了水质,减少了能耗,还具有较高的经济效益,可以为污水生物除磷脱氮工艺的高效运行提供新的技术思路与实践路径。
摘要:由于晶硅光伏组件的寿命有限,导致大量的光伏组件面临报废,为实现其可持续发展,本次开展废旧晶硅光伏组件回收再利用技术研究。首先,根据废旧晶硅光伏组件结构组成,设计一种物理法回收再利用外层材料。其次,基于热解法回收再利用EVA胶膜。最后,基于化学法回收再利用电池片,以此实现废旧晶硅光伏组件综合回收再利用技术设计。试验结果表明,应用设计技术后,废旧晶硅光伏电池片的回收率高达 98.28% ,验证了该光伏组件回收再利用技术是有效且优越的。
摘要:在边坡稳定性分析中,滑动面的确定是计算安全系数的关键一步。为了搜索更可靠的临界滑动面,本文提出了变精度遗传算法。该算法引入了基于动态参数编码的两级变精度求解方式,避免了传统遗传算法在范围大且精度高的解空间中,因待优化问题极值点过多而导致早熟停滞现象。将其应用于澳大利亚计算机应用协会(ACADS)设计的一道经典算例,并由多次计算得出结果,算例最优解在1.2431\~1.2465。对计算结果进行统计和对比表明,在边坡非圆弧滑动面搜索中,与传统遗传算法相比,变精度遗传算法能力更高,具有广阔的应用前景。
摘要:滑坡预测作为岩土工程领域热门前沿课题,须兼顾灾变突跳性与系统复杂性。本研究综合历史研究成果构建了四阶段轨迹曲线理论体系,该曲线完整表征滑坡后缘位移演化过程的阶段响应特征。研究基于四阶段轨迹曲线法,系统推导了位移、速率及加速度方程,并建立了滑坡时间预测数学模型,通过融合位移监测数据,并引入Verhulst-灰色模型实现模型参数反演求解,最终依托矿山边坡与自然边坡滑坡监测数据集验证表明,四阶段轨迹曲线法的预测结果与实测数据吻合度达到 92% 以上。
摘要:传统的人力资源管理模式难以适应快速变化的环境,存在人力成本效益比低、人力资本投资回报率不足等问题。因此,本文提出一种基于胜任力素质模型的企业人力资源优化配置方法。将胜任力素质模型与多目标优化相结合,构建了以人力成本效益比和人力资本投资回报率为目标函数的优化模型,并引入遗传算法进行求解,确保资源配置在满足经济效益,并兼顾人岗匹配度与预算约束。试验结果表明,本研究所提方法在生产操作、技术研发和行政管理等岗位类型下,人力成本效益比分别达到2.8、3.0和2.5,迭代20次时,人力资本投资回报率便接近 90% ,且保持稳定,展现了高效性与稳定性。说明该方法能够为企业人力资源优化配置提供科学、灵活的解决方案,有效提高企业的综合效益与长期竞争力。
摘要:本文提出了一种基于数据交互与智能决策的优化策略,旨在提升电力系统考核与补偿管理的效率与准确性。设计了高效的数据采集、传输与存储系统,并结合智能决策模型,降低电力系统调度成本、提升调节效率和优化补偿决策。试验结果表明,智能决策方法在多个评估指标上优于传统方法,能够有效优化电力系统运行,增强其调节能力,并提供实时、准确的决策支持。
摘要:本文旨在解决电力通信网络中共模风险对路由优化的影响问题,提出了一种基于共模风险的电力通信网络路由优化算法。本文通过建立电力通信网络的拓扑模型以及业务需求模型,构建了一个适用于电力通信系统的共模风险评估框架。同时,研究人员提出了基于共模风险的路由优化算法(CM-LRRS),该算法能够有效评估并规避网络中潜在的共模风险,优化路由选择。为了验证算法的有效性,本文通过仿真测试对比了CM-LRRS算法与传统算法的性能,仿真结果表明,CM-LRRS算法在保证网络可靠性的同时,能够显著提高网络的传输效率。本文为电力通信网络的优化提供了一种新的思路,具有重要的理论价值。
摘要:针对物联网智慧安防系统中存在的频段穿透能力不足、多模态数据时空错位及实时响应效率低等问题,本文提出多频段动态感知与多模态协同计算框架。通过构建混合频段协同感知体系,结合深度强化学习频谱管理和改进型时空对齐算法,实现复杂场景下的精准感知。采用双流压缩Transformer网络与动态硬件重构技术,在边缘端实现端到端时延(38±5) ms 的高效计算。试验结果表明,该系统在高危化学品仓储场景中泄漏检测准确率达 99.2% ,射频功耗降低 42% 。同时,量子加密通信体系保障了数据安全。研究为物联网环境提供了可靠的智能化解决方案,具有重要的工程应用价值。
摘要:露天煤场是煤炭储存和运输的关键枢纽,煤场多为空间尺度大、燃料堆积密集的圆形布局形式,一旦发生火灾容易酿成重大事故。本文分析了圆形煤场环境的复杂特征及其对火灾图像检测带来的技术挑战,搭建了由可见光、红外、紫外等多种成像设备构成的立体化采集平台,构建了多传感器图像信息融合框架,并建立火情坐标到消防水炮摆角参数的映射模型,实现射流轨迹与火源位置的动态匹配,形成“图像感知-智能决策-装备控制”的消防灭火闭环。本文还通过不同火灾场景下的图像火情判别率和定位误差测试验证了技术的有效性。
摘要:本研究以某县为典型案例区,基于多源地质环境数据,采用GIS空间分析—证据权模型耦合的研究方法,系统开展地质灾害易发性评价研究。通过ArcGIS平台构建了包括地形地貌、地形坡度、地质构造和工程地质岩组的多维评价因子体系,运用证据权模型量化各因子的贡献权重,建立地质灾害易发性评价模型,为当地地质灾害防治提供基础依据。
摘要:传统的集中式电压控制在响应速度、可靠性方面已不能满足电压控制需求。本文提出电压失去稳定时,先由分布式电压紧急控制进行电压紧急控制,控制手段耗尽时,再通过负荷控制切除部分负荷的控制策略,构建了分布式电压紧急控制的优化模型,并采用差异进化算法求解。基于IEEE的10机39节点电力系统仿真系统和MATLAB/Simulink进行仿真试验,仿真结果表明,分布式电压紧急控制与切负荷控制协调作用,迅速实现了危险节点的节点电压稳定,防止电压失稳或崩溃;所采用的算法收敛速度快、计算精度高。
摘要:本文基于数据知识融合的方法,提出了一种新的高速公路工程安全风险识别模型,旨在提高桥梁施工和路基工程的安全监理效率。首先,本文从施工过程参数、地质与环境特征以及人员操作行为特征3个方面提取了关键特征,深入分析了这些特征对安全风险的影响。其次,结合神经网络和模糊逻辑融合模型,构建了一个综合性的风险识别框架,能够有效处理复杂的输入数据并融合专家知识。对100个高速公路工程样本进行测试,模型的准确率高达 96.5% 。最后,通过不同施工工艺、地质条件和人员资质的验证分析,证明了该模型在多种情况下的鲁棒性和适应性。研究结果表明,基于数据知识融合的风险识别模型为高速公路工程安全监理提供了一种有效的工具,有助于降低潜在风险,保障工程的安全和质量。