摘要:新质生产力作为驱动经济发展的核心动能,正加速重塑区域经济格局。本文以河南省镇平县为研究对象,通过剖析其数字经济与区域经济协同发展的实践路径,揭示新质生产力在县域经济中的作用机制。研究发现,镇平县依托玉雕、金鱼、红薯叶等特色产业,构建了“电商赋能 + 智慧农业 + 数字治理"的三维协同模式,实现了传统产业数字化转型与区域经济高质量发展的深度融合。研究结论为中西部县域经济转型提供了可借鉴的实践样本,强调政策引导、技术创新与生态构建的协同作用。
摘要:共享经济作为一种新兴经济模式,已广泛应用于多个领域,并通过资源共享提高了效率和降低了成本。然而,随之而来的法律、市场竞争、社会信用等风险也不容忽视。本文分析了共享经济的盈利模式与主要风险,探讨了应对这些风险的管理策略,包括完善法律法规、加强市场监管、构建社会信用体系等措施,以促进共享经济的健康可持续发展。
摘要:信息时代下,信息技术的日新月异给家具行业营销模式带来了深刻的影响,体现在:数字化渠道重构家具消费场景、智能数据分析驱动精准营销、物联网技术赋能产品服务创新。为了适应信息时代带来的影响,笔者从三个方面给出家具行业营销策略上的改变:通过直播电商等新兴渠道拓展家具销售流量入口;建立动态定价模型与需求预测体系评估营销规模;推动智能家具产品向家居生态入口转型,实现销售价值延伸。
摘要:在数字化时代背景下,推动中小企业数字化转型是发展的必然趋势,也是构建数字经济的关键。在工商管理视角下,中小企业数字化转型的需求是非常强烈的,但也面临着诸多挑战。本文对工商管理视角下中小企业数字化转型的实施策略进行了深入研究,立足实际提出了科学合理的建议,为切实推动中小企业数字化转型提供支持和帮助。
摘要:信息化技术在现代企业管理中起到极为关键的作用。在国有企业当中,它的运用提高了生产效率,降低了成本,优化了业务流程,提升了决策支持能力,提高了服务质量以及客户满意度,推动了企业创新与发展。不过在实际应用进程中,也面临着数据孤岛、数据质量欠佳、系统兼容性差等问题,以及技术更新快、信息安全风险、员工培训不足等挑战。要解决这些问题,应强化信息化技术的规划与顶层设计,提高数据治理与标准化管理水准,加强信息安全与隐私保护,加大员工培训与意识提升力度,并推动信息化技术与业务的深度融合,借助这些改进策略,国企可更有效地利用信息化技术达成高效管理与可持续发展。
摘要:新时代的到来,为各行各业的发展带来了新的机遇与挑战。科技企业作为国家战略科技力量的重要组成部分,企业之间的市场竞争愈加激烈,企业想要在市场竞争中脱颖而出,应从自身内部发展出发,加强内部控制体系建设,为企业长远发展提供有力保障。本文首先对科技企业内部控制体系进行了概述,然后分析了新时代背景下科技企业内部控制体系建设存在的问题,主要包括内部控制环境薄弱、风险管控能力有限、内控活动流程不规范、内部控制信息化建设滞后等,最后提出了相应的优化策略。
摘要:在乡村振兴战略全面推进的时代背景下,扶贫资产作为脱贫攻坚成果的重要物质基础,其有效管理与农村经济的持续发展和脱贫成效的巩固密切相关。依据公共产品理论,扶贫资产中的基础设施与公共服务类资产具有公共产品属性,其合理配置与有效管理能够提升农村公共服务水平,促进社会公平。本研究运用产权理论,深入剖析扶贫资产权属明确的重要性,通过对扶贫资产管理的研究,详细阐述其重要意义,系统分析当前存在的资产底数不清、后续管护不到位、监管缺失等主要问题,并从产权明晰、责任落实、监督强化等理论视角出发,提出针对性的优化路径,旨在为巩固拓展脱贫攻坚成果、全面推进乡村振兴提供科学有效的扶贫资产管理策略,推动扶贫资产持续发挥效益,实现长效发展。
摘要:通过探讨BIM技术在建筑工程全过程造价管理中的应用效果与经济性,为建筑行业造价管理提供科学依据与实践参考。采用案例分析法,分析BIM技术在建筑工程决策、设计、招投标、施工及竣工结算阶段的具体应用。本文从BIM技术概念与特点出发,详细阐述其在全过程造价管理各环节的应用策略,并通过数据对比分析应用效果。BIM技术可显著提高造价管理效率与精度,有效控制工程成本,优化资源配置,具备良好的经济性与应用价值。
摘要:预拌混凝土是建筑工程实施中的重要材料,其供应合同履约质量直接影响到建筑工程的施工进度、成本控制。本文首先阐述了预拌混凝土供应合同履约的基本特征,然后分析了预拌混凝土供应合同履约中常见的风险及其成因,最后,针对各类风险从合同条款设计、风险识别、供应链协同等角度提出了风险防控建议,以期为建筑企业加强预拌混凝土供应合同履约风险控制提供一些参考借鉴。
摘要:岗位管理是人力资源管理的核心环节,岗位评价作为其中的关键组成部分,对于优化人力资源管理效能具有重要的支撑作用。开展岗位评价,有助于建立企业内部价值标准,激发员工的工作积极性。本文介绍了岗位评价的相关内容,探讨了其在薪酬激励中的重要作用及薪酬体系优化策略。科学合理的薪酬体系有利于激发员工工作积极性,基于岗位评价的薪酬管理,既能体现薪酬分配的差异性,又能体现其公平性,为企业进行薪酬体系优化提供借鉴和参考。
摘要:现代企业发展的关键趋势已呈现为多元化员工队伍,但它在管理工作中面临诸多挑战,诸如文化差异、沟通阻碍、歧视与偏见、团队协作难题以及人才的吸引和留存问题。为应对这些棘手挑战,企业应采取多元性的人力资源管理手段,涉及构建具有包容性的文化格局、改良招聘流程路径、实施公平的薪酬和晋升体系、给予丰富的培训成长空间,还需推动跨文化交流与团队协同合作,这些策略对增进员工满意度、增强团队凝聚力有作用,最终引领企业创新及进步。
摘要:在经济全球化及科技迅速发展的背景下,国有企业提升技术人才培养与创新能力,不仅有利于增强市场竞争力,对国家经济发展和产业升级也具有重要的推动作用。本文首先对这一工作的重要性进行了深入剖析,接着探讨了国有企业技术人才培养与创新能力提升面临的挑战,并提出了针对性的策略,目的在于帮助国有企业培养具备高水平创新能力的技术人才队伍,以推动企业可持续发展和战略转型。
摘要:当前,供应链管理面临多重风险挑战,为提高协同治理能力,本文构建了风险共担的协同治理框架,并优化了合约机制以增强激励相容性。在研究过程中,建立了多维度风险识别与量化模型,设计了动态风险分配机制,并提出了风险缓冲池的协同管理方式,以实现供应链成员间的合理风险分摊。在多周期博弈背景下,分析了声誉积累机制、学习型合约的自我优化能力以及再谈判条款的触发机制,为供应链合约的持续优化提供理论支持。结果表明,基于智能合约的供应链治理模式能够提升风险应对能力,优化激励机制,并增强合约的动态适应性,为供应链管理的长期稳定性提供保障。
摘要:在本研究中,着重关注的是农产品冷链仓储物联网监控系统的经济效益评估工作,采用成本收益分析等方式构建起包含成本与收益方面的指标体系。通过案例分析可以看出,技术、管理以及市场等因素对效益有着重大影响。文章给出技术创新、加强管理以及顺应市场开展合作等策略,目的在于提升该系统的经济效益,进而为农产品冷链仓储行业的发展提供助力。
摘要:随着人工智能技术的飞速发展,其在高速公路工程管理中的应用日益广泛。高速公路作为国家综合立体交通网的主骨架,其工程管理效能直接关系到区域经济发展质量与民生福祉。本文以人工智能技术为切入点,阐述了人工智能在高速公路工程管理中的应用现状,以及人工智能对高速公路工程管理带来的变革,包括管理效率提升、决策科学化、质量与安全保障加强等方面。同样也面临着一系列的挑战,如数据安全与隐私保护、技术适配与人才短缺、标准与法规不完善等。在未来高速公路工程管理的发展方向上,涵盖了智能化与数字化深度融合、绿色可持续发展、全生命周期管理、协同创新与产业融合等方面,旨在为高速公路工程管理在人工智能时代的发展提供理论参考与实践指导。
摘要:双重预防机制是国家层面提出的管控风险、消除隐患、保证安全生产的重要手段之一,同时也是石油化工工程建设项目安全管理体系的重要一环。本文通过分析双重预防机制在石油化工工程建设项目建设过程中的应用情况,为石油化工工程建设领域的安全风险分级管控和隐患排查治理双重预防机制建设提供参考。
摘要:交通工程投标文件的编制较为复杂,投标文件编制需系统整合技术方案与商务条款,通过多种举措提高项目中标率。基于此,本文从公路工程的施工投标文件细节要求出发,提出做好前期准备、把握商务文件和技术文件的编制要点、实施报价策略并加强风险控制,通过结构化呈现企业资质与施工组织设计凸显竞争优势,以期为相关工程或人员提供参考。
摘要:近年来,分包模式在国际大型新能源 EPC项目中被普遍应用。分包界面的增加导致中国总承包企业的管理难度剧增。不善的分包管理可能会使总承包商面临预算超支、工期延误、信誉受损等种种严重后果。因此,研究如何有效地加强对分包商的管理对中国总承包企业来说十分重要。阿联酋风电项目对海外EPC总承包项目的分包管控进行了一定程度的探索,本文对相关要点进行了总结和思考,旨在为后续同类型海外项目的分包管理提供一些思路。
摘要:近年来,业财融合理念在企业管理领域获得广泛关注,并在部分国有企业中得到初步应用,但仍面临着很多挑战。基于此,本文首先阐述了国有企业实施业财融合的意义,然后分析了国有企业实施业财融合面临的挑战,最后提出了相应的提升路径,主要包括优化组织结构流程体系、强化业财一体系统建设、提高业务风险管理能力和打造专业业财融合团队。
摘要:随着人工智能技术的飞速发展,DeepSeek等先进模型在众多领域展现出巨大潜力,财务领域也不例外。本文聚焦DepSeek在财务领域的应用展开探讨,首先对其在智能财务数据处理与分析、财务风险预警与预测等方面的具体应用进行详细阐述,并将应用中存在的数据质量与准确性、财务人员技能与认知不足等问题指出,进而提出了相应的优化策略,旨在推动DeepSeek在财务领域更高效、可靠的应用。
摘要:为解决传统企业财务核算中效率低下、模式固化及安全风险等问题,以人工智能在财务核算中的应用为研究对象,分析其对数据处理、流程自动化及响应速度的提升作用,探讨核算流程重构、维度拓展及智能模式形成的变革路径,提出技术层面的架构优化与数据治理、人员层面的能力进阶与思维转型、安全层面的防护体系与风险预警等优化策略,以期为企业财务人员及管理者推进智能核算转型提供实践参考。
摘要:在财务管理工作中科学落实业财融合工作,对于矿业企业资源价值利用、管理模式更新、运营风险控制均具有突出作用,可以推动业务工作与财务工作协调性、融合性开展,并能实现统筹管理、有效监督,可节约财务成本,降低矿业企业运营管理过程中财务与业务风险的发生概率。鉴于业财融合意义重大,矿业企业财务工作开展中,需要以此为发力点,从规划设计、制度建设、体系完善、氛围营造四个方面入手,更新优化财务工作,从而在业务部、财务部的通力配合下,保障矿业企业内部管理工作高质量开展,并为矿业企业平稳、持续、规范发展夯实根基。
摘要:财务共享服务中心是具有创新性的财务管理模式,能够支持国企进行资金管理、会计核算、财务分析、预算管理、风险管理。国企财务核算体系建设过程中,财务共享服务中心模式提供了重要机遇,但同时财务核算体系建设面临一系列挑战,包括组织结构与流程重组的挑战、数据安全与隐私保护的挑战、财务信息系统整合中的挑战。论文中指出国企在财务共享服务中心模式下高度重视财务核算体系建设,把握好四大实施路径,包括持续优化组织结构与流程重组、建立数据安全机制与隐私保护、推动财务信息系统整合与升级、注重加强财务核算的内部控制。
摘要:施工企业受限于行业性质,在推进业财融合战略目标上有着特殊阻碍。当前信息技术的发展为施工企业业财深度融合提供可能,业务部门与财务部门的管理壁垒将有希望被消除。本文从业务运行和控制层面的业财融合角度,以财务数据体系完整为前提,探讨施工企业数据治理的意义及方法。
摘要:作为管理会计的重要可视化工具——战略地图架设了从公司战略设计到战略执行的桥梁,涵盖从战略制定到执行的全过程。本文以国家高新技术公司A公司为例,聚焦公司高质量发展的核心,采用态势分析法(SWOT),探讨了A公司战略地图的规划和实施。A公司在应用中将战略蓝图与战略执行紧密结合,综合运用现代财务管理工具辅助战略地图的设计、实施和评价,最终推动了A公司战略目标的达成。
摘要:自有品牌供应链因信息不对称、层级复杂化等问题,在财务透明度方面面临诸多挑战。本文探讨了数字化技术如何改善财务信息的透明度、真实性与合规性,以提升供应链的财务透明度。分析发现,物联网(IoT)技术可实现财务数据的实时采集与监测,区块链技术能够增强交易数据的可追溯性,云计算可促进财务信息共享与协同,而人工智能(AI)技术则可优化智能财务风控体系。这些数字化手段的综合应用,能够提高供应链财务管理的效率,增强企业财务合规性,为行业提供可借鉴的实践路径。
摘要:本研究以2020—2023年间实施财务共享服务的276家A股上市公司为样本,探究财务共享服务对企业内部控制的影响机制。研究发现,财务共享服务通过内部环境重构、风险评估优化、控制活动强化、信息沟通改善和内部监督深化等途径,对企业内部控制产生显著正向影响。实证结果表明,财务共享服务对企业内部控制的影响在信息沟通和控制活动方面最为显著,且呈现出明显的企业异质性特征,大型企业和制造业企业因资源优势和标准化基础获得更显著的改善效果。
摘要:当前,业财融合已成为企业高质量发展的重要推动力。本文分析了当前企业财务管理职能在职能定位、业财协同、系统集成和人才能力等方面存在的问题,明确了财务管理职能向管理型、主动参与型、复合型和数字化转型的发展方向。同时,提出了企业应从明确财务职能定位、健全业财协同机制、提升信息系统集成度、强化财务人员能力等方面推进转型,构建与业务深度融合的财务管理新模式。希望本文能在推动企业财务管理职能转型升级、提升企业经营管理水平方面具有重要的参考价值。
摘要:为了推动国有企业在新质生产力背景下实现高质量财务转型,本文首先阐述了新质生产力的理论内涵与国有企业财务数字化转型的时代背景,其次分析了当前国有企业财务数字化转型中存在的战略规划不足、数据质量管理薄弱、人才队伍建设滞后以及业务流程协同不畅等关键问题,最后提出了完善战略规划体系、强化数据质量管理、加强复合型人才培养以及优化业务流程协同机制等对策,旨在为国有企业利用新质生产力推动财务数字化转型提供理论参考与实践指导。
摘要:在企业管理现代化进程中,业财融合已成为提升管理效能的重要方向,预算管理作为企业战略落地的关键工具,亟须在业财融合视角下实现体系重构。本文围绕业财融合与预算管理的内在关联,系统分析传统预算管理在业财协同、资源配置、动态调整等方面的不足,从组织架构、流程设计、技术支撑、制度保障等维度,构建业财融合导向的预算管理体系框架,并提出涵盖协同机制、数据整合、动态监控、考核优化等内容的优化路径,为企业提升预算管理科学性与有效性提供理论参考与实践指引。
摘要:为研究数字经济背景下供应链金融服务管理模式的创新策略,提升产业链金融服务效能,结合物资贸易及物流企业实际场景,本文采用理论分析与案例结合的方法,剖析数字技术对供应链金融的影响,对比传统模式弊端,提出针对性创新路径。从技术驱动下核心对象、授信场景、物流监管的转变分析数字经济影响,指出传统模式在信用传递、信息评估、风险管控方面的局限,进而提出基于“控货”与“增信”的平台构建、产品创新及风控优化等路径,重点突出数字化在物资采购、物流仓储、资金结算等环节的降本增效作用。数字技术驱动的供应链金融服务管理模式创新可有效解决传统模式问题,尤其对物资贸易与物流企业提升资金周转效率、降低运营成本具有实践价值。
摘要:随着社会经济的发展,企业面临的市场竞争越来越激烈,加强企业会计管理的重要性日益凸显,很多领域的企业都在尝试通过转型升级提升对市场环境的适应能力,其中大数据技术的应用是大多数企业在会计管理方面的重大尝试。文章分析了大数据背景下企业会计管理的创新点,剖析企业在会计工作中应用大数据技术的积极作用,探讨大数据背景下企业会计遇到的阻碍与挑战,并提出运用现代信息科技推进企业会计管理价值创造的策略,以供参考。
摘要:在大数据与人工智能技术深度融合发展的背景下,企业财务管理面临数字化转型的迫切需求。本文系统探讨了大数据背景下人工智能技术在企业财务管理中的应用,分析人工智能技术在财务数据处理、预算管理、成本控制、风险预警等核心领域的具体应用场景,阐述应用过程中存在的数据安全、技术适配等问题,并针对性地提出优化策略。研究表明,人工智能技术的应用能够显著提升企业财务管理效率与精准度,助力企业实现数字化、智能化转型,但需要通过完善数据治理、加强技术创新、培养专业人才等措施,保障其有效应用与持续发展。
摘要:在全球数智化转型的浪潮下,企业资产管理体系正面临从传统模式向智能化、数字化升级的关键变革。本研究基于数智化转型对资产的实时动态管理、数据驱动决策等新要求,系统剖析当前企业资产管理存在的模式传统、数据价值挖掘不足等问题,从革新管理理念、构建全生命周期智能化管理体系、整合技术、强化风险防控及创新管理模式五个维度,提出数智化转型背景下企业资产管理体系的系统性应对策略,为企业提升资产管理效能、实现数智化转型提供理论参考与实践路径。
摘要:随着社会经济的高速发展和科学技术的普遍应用,社会开始进入数字化时代,传统的财务管理模式已经无法满足企业高质量发展的实际需求了。在这一背景下,水泥制造企业要加强业财融合,打破业务和财务信息壁垒,实现数据共享利用,为风险防控、成本控制等提供依据,为企业健康可持续发展提供助力。本文首先阐述了水泥制造企业开展业财融合的积极意义,然后分析了水泥制造企业业财融合存在的问题,最后提出了相应的解决策略。
摘要:随着经济高质量发展战略的不断演进,国有企业在经济社会发展中的地位愈加突出。新时代下,财务转型成为企业发展的一大趋势,业财融合逐渐成为国有企业管理的重要手段。但多数国有企业在业财融合中的资金管理与流动性风险控制方面存在诸多问题。基于此,本文首先对国有企业业财融合中资金管理与流动性风险控制进行了概述,然后分析了国企业财融合中资金管理与流动性风险控制存在的问题,最后提出了相应的优化策略。
摘要:本文以物流企业业财融合提升路径为研究对象,首先阐述了业财融合的内涵,其次从提高会计核算的准确性、提升成本管理质量以及强化战略决策支持效能等方面阐述了物流企业推进业财融合的必要性,继而分析了物流企业推进业财融合存在的问题,主要包括业财融合缺乏合理的组织、业务流程与财务流程衔接不畅、业财融合信息化程度低、财务人员业务知识相对欠缺,最后提出了相应的优化路径。
摘要:在竞争激烈的市场环境下,企业经营绩效的提升至关重要,而预算控制是影响企业经营绩效的关键因素。本文聚焦预算控制对企业经营绩效的影响展开深入探讨,首先对其在助力成本压缩、促进资源高效配置、保障经营目标实现及增强风险抵御能力方面的具体影响进行了阐述,并将当前存在的编制不科学、执行力度弱等问题指出,进而提出了相应的优化策略,旨在助力企业借助优化预算控制,实现经营绩效的提升。
摘要:国有企业是国民经济的重要支柱,是生产力发展和科技进步的主导力量。面对瞬息万变的市场环境,国有企业需应对诸多挑战,而信息不对称问题尤为突出。这种问题不仅易导致企业内部决策失误,还可能造成资源配置效率低下,诱发不当行为,严重时甚至会损害国有资产、侵蚀企业价值并危及企业声誉。因此,本文分析了国有企业财务内控中信息不对称问题的具体表现及其成因,探讨了有效的应对策略,以期提升财务管理效能、保障企业健康可持续发展。
摘要:为了适应新时代的发展需求,会计数智化转型已经成为一种必然趋势。本文中,在梳理数智化、会计转型两个核心概念的基础上,分析了会计数智化转型所面临的困难:制度规范滞后、技术适配困境、人才结构断层。据此,给出了会计数智化转型的三条实践路径:动态标准体系构建、分阶段技术融合、复合型人才梯队建设。
摘要:随着人工智能的飞速发展,世界已经进入了大数据时代。中国工程院院士李国杰指出大数据将成为信息科技的新关注点,大数据技术以其海量数据处理、深度数据分析等特点,为会计工作带来前所未有的变革。本文主要研究大数据技术在会计核算、财务决策、风险规避等多领域的具体应用,分析了其面临的挑战,并提出相应的发展策略。
摘要:人工智能技术、大数据技术的出现给会计工作带来了全新的发展机遇。本文中,在对大数据技术、AI技术、会计工作等核心概念阐述分析的基础上,提出了提升会计工作效率的四方面建议,包括:实时的会计数据分析、会计成本的自动优化、会计预算的自动编制、会计绩效的可视化分析。
摘要:业财融合推动财务职能由基础核算向管理决策方向转变,业财融合是现代企业财务管理的必然选择。本文首先阐述了业财融合在推动企业转型升级、助力财务精细化管理、提高风险管控水平三个方面对企业高质量发展的驱动作用,然后分析了现代企业业财融合存在的业财融合意识薄弱、信息共享滞后、业财流程差异性大三个突出问题,最后提出了强化全员业财融合意识、加强系统及沟通机制建设、实施核心业财流程重塑三项优化策略,以助力现代企业高质量发展。
摘要:随着全球经济一体化进程的不断加快,现代企业面临前所未有的风险挑战。全面风险管理是一种从全局角度出发,统筹管理和控制各类风险的理念与方法,由于传统内部控制模式已难以满足现代企业高质量、可持续发展需求,所以在全面风险管理视域下,优化内部控制成为现代企业运营发展的必然举措。基于此,本文首先对全面风险管理和内部控制进行了概述,然后阐述了全面风险管理视域下现代企业内部控制优化的重要性,继而分析了全面风险管理视域下现代企业内部控制存在的问题,最后提出了相应的优化措施。
摘要:在当今信息化快速发展的时代背景下,企业数据资源的管理和核算变得越来越重要。近年来,我国相继出台了《中华人民共和国数据安全法》《企业数据资源相关会计处理暂行规定》等法规,为数据资源的管理和利用提供了法律保障,这些法规要求企业将数据资源纳入资产负债表,实现资产化确权,释放数据要素的经济价值。基于此,本文首先阐述了企业数据资源入表的重要性,然后提出了确定数据资源入表核算的要点,继而分析了数据资源入表核算的实施难点,最后提出了相应的策略建议。
摘要:在“双碳”目标背景下,银行业环境信息披露体系构建对推动绿色金融发展至关重要。本文首先基于会计视角,阐述了银行业环境信息披露体系的理论基础,然后分析了银行业环境信息披露体系存在的披露标准不统一、会计处理流程待完善、数据治理能力不足、内容实用性欠缺及配套机制不完善等问题,最后提出了构建统一标准框架、规范会计处理、强化数据治理、提升披露质量及完善配套监管等优化策略,旨在为银行业环境信息披露体系完善提供有益参考。
摘要:在国有企业改革的大背景下,国有企业调整了传统经营模式和经济结构,使用投资并购的方式与市场融合。本文首先详细说明了国有企业改革背景下国有企业投资并购的重要性,接着分析了目前国有企业投资并购面临的问题,最后针对目前面临的问题提出了相关优化策略,希望通过本文能够为日后国有企业投资并购提供一定的参考。
摘要:为了提升大宗商品企业的成本控制水平,本文探讨了基于预算差异分析的成本管理方法。结果表明,预算差异分析能够精准识别成本变动原因,提高预算执行的精准度,并通过优化采购策略、提升生产效率、降低供应链成本等措施增强企业竞争力。总之,构建数据驱动的成本控制体系,并结合智能化决策支持系统,有助于企业在市场波动中实现精细化管理,提升资源配置效率。
摘要:本文旨在研究新形势下建筑企业现金流管控面临的主要风险及其应对策略。通过分析建筑行业特征、外部环境变化和企业转型升级需求,深入探讨了建筑企业现金流管控中的外部环境风险和内部经营风险。研究表明,建筑企业应当通过强化项目资金预算管理、创新融资模式、提升工程款项管控、优化分包商管理等多维度措施,构建全方位的现金流管控体系。研究结论对于指导建筑企业加强现金流管理、防范财务风险具有重要的实践意义。
摘要:随着新收入准则的实施,建筑施工企业EPC(设计采购施工)项目在收入确认方面面临着全新的挑战与机遇。完工百分比法作为EPC项目收入确认的重要方法,在新准则背景下,其应用过程中暴露出诸多难点,如合同变更处理复杂、履约进度计量困难、收入成本匹配性把控不佳等。本文通过深入剖析这些难点,结合建筑施工企业EPC项目的实际特点,探讨有效的突破路径,旨在为建筑施工企业准确、合理地运用完工百分比法确认收入提供理论支持与实践指导,助力企业提升财务管理水平,增强财务信息质量,更好地适应新收入准则带来的变革。
摘要:在数字化转型的时代浪潮下,企业管理模式正经历深刻变革,管理会计工具的创新应用成为企业发展的关键驱动力。本文剖析当下管理会计工具在数据处理、数字化融合及人才适配等方面的现状,探寻其与新兴技术融合、功能拓展及决策支持升级的创新方向,阐述在成本、预算、绩效等领域的创新应用场景,剖析面临的技术、数据安全及组织变革挑战并提出应对策略,展望未来技术创新引领下管理会计工具对企业价值创造与行业变革的深远影响,助力企业借创新之力提升竞争力,实现数字化时代的稳健前行。
摘要:随着信息技术的迅猛发展,数字化转型已经成为现代企业提升竞争力、实现可持续发展的关键途径。在这一背景下,企业内部控制体系的重要性日益凸显。然而,传统的内部控制流程在面对数字化环境时显得力不从心,亟须重构以适应新的挑战。本文首先阐述了数字化转型定义及其对企业管理的影响,分析了传统内部控制流程的局限性并提出优化策略。其次详细讨论了内部控制流程重构的实施路径,并通过某大型制造企业的案例研究,展示了在数字化转型过程中内部控制流程重构的成功实践。最后探讨了内部控制流程在实际应用中的潜在问题与挑战,为企业提供了切实可行的建议。
摘要:随着信息技术的飞速发展,企业会计信息系统已成为财务管理的核心工具,其数据安全防护至关重要。本文深入探讨了企业会计信息系统的构建与数据安全防护策略。首先明确了会计信息系统的定义与功能,强调其在企业运营中的关键作用,其次从构建原则、步骤和模式选择三个方面,详细阐述了企业会计信息系统的构建过程,为企业提供系统的建设思路。接着分析了企业会计信息系统面临的外部和内部数据安全威胁,揭示数据安全面临的严峻挑战。最后提出了技术、管理及法律与合规性三方面的数据安全防护策略,为企业数据安全提供全面保障。本文的研究为企业会计信息系统的建设和数据安全防护提供了理论支持和实践指导。
摘要:在当前经济环境下,粮食企业面临激烈的市场竞争和复杂的经营环境,准确的会计报表分析对于企业的决策支持至关重要。本文通过对粮食企业会计报表的深入剖析,探讨了资产负债表、利润表和现金流量表的分析方法及其对企业决策的支撑作用。文章结合实际案例,展示如何通过会计报表分析解决企业面临的实际问题,为粮食企业提升竞争力和实现可持续发展提供有益参考。研究表明,会计报表分析不仅是财务数据的解读,更是企业战略决策的重要依据。
摘要:随着社会经济的不断发展,我国出版传媒行业经济态势良好,许多出版传媒企业也在时代的浪潮中获得了巨大发展。但不可忽视的是,在出版传媒企业的不断发展中,各种风险管理问题也逐渐显现,例如销售模式改变的风险、成本控制的风险、多元化转型的风险。为进一步推进企业高质量发展,企业应该加强数字化在风险管理中的应用水平,对相关管理体系进行改进和完善,促进风险管理和数字化应用的协同融合,并以此助力企业的健康发展。
摘要:财务资金作为企业运营的“血液”,其安全且高效的运行直接关联到企业的生存与发展。然而当下不少企业在财务资金监管方面存在很多问题,如监管集中度低、风险控制体系不完善、监管体系缺失以及预算监管不足等。本文深入剖析了这些问题的形成原因,并且提出了对应的优化对策,包括加大资金集中监管力度、完善风险管理体系、健全资金监管体系、加强预算监管以及提高监管人员素质等方面,目的是提升企业财务资金监管水平,保障资金安全,提高资金使用效率,推动企业健康发展。
摘要:投资项目决策对企业的长远发展至关重要。本文从财务管理的角度出发,深入探讨了企业在进行投资决策时所面临的关键问题及其有效的应对策略。笔者详细分析了优化企业投资决策的多种方法,旨在提高企业的资本运作效率和投资回报率,以帮助企业在复杂的市场环境下做出更加科学和高效的投资项目决策。通过这些策略的实施,企业将能够实现更优的资源配置和资本增值。
摘要:随着数字经济的高速发展,人们的消费观念也在不断进步,信用卡业务面临着新形势、新发展的需求。为了更好地发挥信用卡业务的价值,在具体实践中要与时俱进地对信用卡的业务策略做出调整和改进。本文首先阐述了商业银行数字化转型对信用卡业务的影响,然后分析了数字化背景下信用卡业务存在的问题,最后提出了相应的优化策略,包括重构数字化运营管理体系、打造智能化客户服务体系、建设实时化风控监测系统、深化数据价值挖掘应用、构建一体化协同发展机制。
摘要:随着我国经济的飞速发展,城市化进程加快,为建筑行业的崛起提供了广阔的发展空间,涌现的建筑企业越来越多,工程项目数量也在不断增加,企业工程项目在规模扩大的同时,工程项目会计核算也产生了诸多问题,这些问题不利于建筑企业实现可持续发展。基于此,本文首先对工程项目会计核算进行了概述,然后分析了建筑企业工程项目会计核算存在的问题,如缺乏完善的会计核算制度、应收应付款数据不准确、存在往来资金管理问题、核算人员专业素养待提升等,最后提出了相对应的对策。
摘要:在医药流通行业政策环境趋严、市场竞争加剧的背景下,强化基于全面风险管理理论(ERM)的内部控制体系对医药批发企业的稳健经营至关重要。本文基于全面风险管理理论,结合医药批发企业的实际运营特点,探讨了其内部控制优化的目标,并指出了当前存在的返利核算滞后、业财数据脱节、税务风控薄弱及信息孤岛等问题。在此基础上,提出了包括建立动态返利确认机制、推行信息化台账管理、构建税务风险预警模型、深化业财融合流程再造等在内的优化路径,旨在提升医药批发企业的风险应对能力与内控管理水平,为实现企业稳健发展提供理论支持与实践指导。
摘要:城投公司是城市基础设施建设的重要力量,能够有效提升城市功能,推进城市化进程,而资产负债表管理对城投公司经营决策与风险控制至关重要。本文首先阐述了城投公司资产负债表管理的意义,然后分析了城投公司资产负债表管理存在的问题,最后提出了相应的优化策略,以期推动城投公司高质量发展。
摘要:企业全面预算管理是现代企业治理的核心工具之一,但其在实践中常陷入形式化、低效化的困境。本文聚焦全面预算管理的问题一对策链条,剖析了预算与战略脱节、编制方法僵化等核心矛盾,提出了战略锚定、动态调整等多维度的优化路径,旨在为企业破解预算管理难题提供系统性思路,推动预算管理从“控制导向"向"价值创造"转型,实现资源配置效率与战略目标的协同统一。
摘要:企业财务内部控制监督机制是企业管理的重要组成部分,对于提升企业财务管理水平、防范经营风险、促进企业可持续发展具有重要意义。本文系统研究了企业财务内控监督机制存在的现实问题及其改进对策。首先分析了企业财务内控监督机制改进的重要性及其现实意义,其次深入探讨了财务内控监督思想意识与组织保障不足、企业内控的内外部监督协同体系不完善、财务内控监督的信息化建设水平有待提升以及财务内控监督专业人才队伍建设不足等问题,最后从加强思想意识与组织保障、完善内外部监督协同体系、提升信息化建设水平和加强专业人才队伍建设等方面提出了具有针对性的改进建议。通过构建科学完善的财务内控监督机制,可以有效提升企业财务管理效能,增强风险防范能力,推动企业高质量发展。
摘要:为了提升企业战略决策的科学性与有效性,本文以财务报表分析在企业战略决策中的应用为研究对象,系统探讨了财报分析对企业战略决策的支撑作用。首先阐述了财报分析与企业战略决策的基本理论内涵及其应用价值,之后深入剖析了当前企业在运用财报分析支持战略决策过程中存在的各种问题,并从多维度提出针对性建议,旨在为企业更好地发挥财报分析在战略决策中的支撑作用提供理论参考与实践指导。
摘要:随着“管住中间、放开两端”价格市场化竞争的加剧,燃气企业迫切需要加强外部市场竞争力并通过财务内部控制管理的完善,达到节能降耗、防范经营风险目标。本文就城市燃气企业财务内控管理的必要性和普遍存在的问题进行分析,针对性地从人员综合素质提升、内控监督体系搭建、信息化支持等方面提出解决措施,以期为燃气企业内控管理提供实践经验。
摘要:内部控制是现代商业银行稳健运行的重要保障。随着金融市场日益复杂,商业银行面临的风险日益增多,加强内部控制已成为商业银行提升核心竞争力、实现可持续发展的必然要求。当前,我国商业银行的内部控制虽然取得了一定成效,但仍存在内控环境有待优化、风险评估机制不完善等问题,内控管理水平与国际先进银行相比还存在一定差距。本文在分析商业银行内部控制重要意义的基础上,剖析了当前商业银行内部控制存在的突出问题,并就进一步加强内控管理提出对策,为商业银行内控实践提供参考。
摘要:为探究财务比率分析在企业经营决策中的应用路径与优化策略,本文从财务比率的本质与体系构建出发,分析其在战略决策、运营管理中的应用逻辑,剖析会计政策影响、静态指标局限等固有问题,提出多维分析模型构建、分析方法改进及决策流程优化等策略。结果表明,财务比率分析可通过偿债、营运、盈利、发展能力等维度的指标体系,为投资、融资、成本控制等决策提供量化依据,但存在指标动态性不足、行业适配性差等局限。通过动态预测体系、行业特性模型及比率联动矩阵等策略,能有效提升财务比率分析的科学性,为企业经营决策提供更精准的支持。
摘要:本文系统探讨了企业数据资产确认、治理及价值实现路径。数据资产变现模式包括直接交易、增值服务、产品优化及生态合作,应结合行业特性与合规要求制定策略。数据共享与交易机制依托技术手段和标准化流程,确保安全合规流通。数据赋能业务创新通过精准营销、智能决策及生态协同,驱动企业数字化转型。数据资产价值评估可采用成本法、市场法、收益法等方法,并结合业务需求综合考量。数据治理强调质量、安全与合规管理,需要建立全生命周期管理体系。
摘要:本文首先阐述了基于业财融合的企业财务管理转型的重要性,然后分析了基于业财融合的企业财务管理转型遇到的业财融合意识薄弱、业财部门工作目标差异较大、业财融合人才缺失、业财部门信息系统衔接不足、业财融合风险防控不到位等问题,最后提出了一系列相应建议,旨在为企业成功实现财务管理转型提供借鉴,助力其实现高质量发展目标。
摘要:随着大数据时代的到来,企业财务管理面临新局面。本文聚焦大数据背景下企业财务管理展开深入探讨,首先对其创新的必要性进行了详细阐述,主要从提高财务管理效率、提升决策科学性及增强竞争力方面体现出来,并将当前存在的制度不完善、数据安全隐患等问题指出,进而提出了完善管理制度、健全数据防护机制等创新策略,旨在推动企业财务管理适应大数据环境,实现更好发展。
摘要:本文探讨企业业财融合对企业财务管理的影响,旨在为企业财务转型提供策略建议。通过分析,发现业财融合改变了财务职能,优化了管理流程,催生了管理创新,但也带来风险隐患。研究提出企业应转变理念、优化组织、强化人才、加强信息化、完善风控,实现业财深度融合、协同发展,提升管理效率和经营效益,推动企业可持续发展。
摘要:EPC模式是建筑业的重要发展趋势,但其管理复杂性对工程总承包企业的造价与成本管控能力提出了更高要求。文章从EPC模式特点出发,剖析了总承包企业面临的成本管控难点和成本失控原因,提出了优化设计方案、完善招采体系、规范施工组织管理、创新管理方法、强化内部控制等系统解决方案。总承包企业应顺应信息化发展趋势,将BIM、大数据、区块链等现代技术与成本管理深度融合,构建全过程精细化、数字化的成本管控模式,实现项目成本领先和价值创造。
摘要:数字经济作为新兴经济模式正深刻重塑企业运营方式和竞争态势,企业财务管理作为企业运营核心构成部分亟待开展数字化转型。本文先对数字经济与企业财务管理的基本概念予以界定,接着剖析了数字经济背景下企业财务管理数字化转型的方向,然后着重探讨了当前企业在财务管理数字化转型过程中面临的制度滞后、人才短缺、风险控制薄弱和信息安全威胁等问题,最后从健全财务管理规章制度、加强数字化财务人才队伍建设、构建财务风险识别与控制体系以及完善网络安全防御体系这四个维度提出了相应的策略性建议,目的是为企业在数字经济时代实现财务管理数字化转型提供理论参考。
摘要:随着社会经济的不断发展,以及信息技术的飞速进步,制造企业之间的竞争日趋激烈,想要在有限的利益空间占据更多市场份额,管理人员必须在当前财务管理工作的基础上探寻更合理有效的改进策略,来支撑财务管理工作的长足建设,因此加强财务管理和信息化建设之间的联系至关重要。本文首先对制造企业财务管理信息化建设进行了概述,然后分析了企业在财务管理信息化建设过程中存在的缺少综合型人才、风险管理不到位、财务管理制度需健全等问题,最后提出了相应的对策,旨在为制造企业提高财务管理水平提供借鉴,助力其实现高质量发展目标。
摘要:随着数字化技术的不断创新,科技馆的运营环境已经发生深刻变革,其财务管理也面临全新的挑战与机遇。本文通过深入剖析数字化转型背景下科技馆财务管理的现状,揭示了科技馆财务管理在数据处理、预算管理、资金使用及风险管控等方面存在的问题,探索了数字化在科技馆优化财务管理中的可行性,进而从理念革新、系统建设、人才培育、流程优化和风险防范等多维度提出了针对性的变革策略,旨在助力科技馆借助数字化力量提升财务管理效能,优化财务管理职能,为科普事业稳健发展提供坚实财务保障。
摘要:在数字化浪潮席卷全球的当下,企业面临着前所未有的变革压力。数字化转型已成为企业谋求生存与发展的关键战略选择,对企业财务战略产生了深远影响。本文深入剖析数字化转型背景下企业财务战略的创新与实践,探讨数字化技术如何重塑财务理念、优化财务管理流程、提升财务决策效能等。通过对相关理论的梳理和实际案例的分析,揭示企业在数字化转型进程中实现财务战略创新的有效路径,为企业更好地适应数字化时代发展需求,提升核心竞争力提供理论支持与实践指导。研究表明,积极推进数字化转型,创新财务战略,能够助力企业整合资源、优化配置,实现可持续的高质量发展。
摘要:本文剖析了建筑行业经济环境及国企现状,指出建筑行业竞争激烈、政策多变,国企存在财务与业务问题。探讨了国企财务战略规划的相关内容及国企长期的发展目标与定位。分析了国企财务战略规划与长期目标的协同关系,包括理论基础、表现形式及影响因素。提出了实现协同的路径,如制定协同策略、优化资源配置、强化风险管控、构建协同机制,以提升国企综合实力与可持续发展能力。
摘要:当前数智化浪潮席卷全球,国有企业所处的商业环境正经历前所未有的深刻变革。司库管理体系作为企业财务管理的关键组成部分,其数智化转型对于国有企业提升资金运营效率、增强风险抵御能力具有至关重要的战略意义。本文从司库管理数智化转型重视程度不足、司库管理制度有待完善、集成交互式数智管理平台发展滞后、管理人员综合素养有待提升四个方面分析了数智化背景下国有企业司库管理体系的构建现状,探讨了有效的构建策略,旨在为司库管理建设工作开阔思路,促进国有企业发展。
摘要:现阶段,财务管理作为保证企业安全运营的关键,传统内部控制措施已经无法适应当前复杂多变的社会环境,极易对企业的正常运营产生不利影响。对此,企业应持续优化内部控制制度,建立完善的管理工作计划,提高财务管理工作的实施质量。本文主要阐述财务管理中内部控制对于保证企业正常运营、提高经济收益等方面的优势条件,并提出优化内控流程、完善沟通机制、加强风险管控等内部控制措施,切实提升企业财务管理的工作效果,加强企业资金管理效果,以供相关人员参考。
摘要:随着我国经济增速的逐步放缓和金融监管的持续加紧,商业银行面临的经营环境出现了巨大变化,对内部运营管理水平提出了更高的要求,商业银行积极开展全面预算管理,能够优化银行的资源配置,防范各类风险问题,为商业银行的高质量发展提供助力。本文首先阐述了商业银行开展全面预算管理的积极意义,然后分析了商业银行应用全面预算管理过程中存在的问题,最后提出了相应的强化措施。
摘要:施工图预算作为建设项目实施的重要依据,其编制质量直接关系到工程投资效益。本文立足施工图预算编制的关键控制点,重点探讨了预算编制基础要素审核、工程量计算规范、造价信息库优化等编制策略,进而从复核机制、技术经济指标体系、信息化应用等方面,构建施工图预算的全过程质量控制框架。通过优化资源配置、强化过程管控、创新技术应用,切实提升施工图预算的科学性、准确性和可执行性,为建设项目的投资决策和成本管理提供有力支撑。
摘要:成本控制是企业财务管理的重要组成部分,对企业的盈利能力和可持续发展至关重要。本文聚焦于成本控制在企业财务管理中的地位与作用,通过分析当前企业在成本核算、控制手段、组织协同等方面存在的主要问题,提出了构建全过程成本控制模式、创新应用大数据等先进技术、强化成本控制主体责任意识、实施战略性成本领先等一系列优化对策。文章还结合实践案例,对典型企业的成本控制实践进行了剖析,以期为广大企业优化成本管理提供有益启示与借鉴。
摘要:数智财务时代的到来为企业资金管理带来新的风险与挑战。本文以数智财务下企业资金管理为研究对象,深入分析数字化、智能化、财务业务一体化所引发的资金管理新风险,提出构建涵盖识别关键风险领域、构建全流程风险管理、完善多层级管控体系的全面风险管控框架。探讨运用大数据、区块链、人工智能等前沿技术提升资金风险预警、溯源、决策能力,并就健全风险管理制度、打造复合型人才队伍、营造良好的风控文化提出配套支撑体系建设建议。
摘要:成本管控是制造企业重要的管理手段,能最大限度地展现资金资源价值,推动制造企业长远发展,因此想要实现长期运营目标,做好成本管控格外关键。本文首先阐述了制造企业加强成本管控的意义,其次分析了制造企业在成本管控方面存在着意识较为淡薄、成本核算分析力度不足、制度仍需健全等问题,最后提出了相应的对策,旨在为制造企业强化成本管控提供借鉴,助力其实现降本增效目标。
摘要:随着我国工业的不断发展与进步,对厂房的需求量也不断增加,特别是对厂房质量与安全方面,有着更高的要求,为有效提高我国工业厂房钢结构施工效率与品质,保障结构稳固安全,需要对技术提升改进,确保质量与安全。本文主要通过对某工业厂房钢结构建设工程实例研究,提出施工重点方向,项目施工时,主要选用H型钢制钢梁,借助吊车对整个施工保障,确保完成起吊与现场所有的安装作业。施工结束后,对钢结构整体稳定性、垂直度、挠度等重要参数做检测后再对结果进行系统整理,保证了各项检测数据符合项目设计要求,符合国家相关标准。通过具体项目的数据提取分析,改进钢结构施工技术,以此,推动我国工业厂房承载力与抗震性,为厂房长效运行与安全生产筑牢技术根基。
摘要:随着城市园林绿化事业的快速发展,每年产生大量的绿化废弃物,包括修剪枝条、落叶、杂草等有机物质。传统的填埋和楚烧处理方式不仅造成资源浪费,还会产生环境污染问题。针对这一现状,通过科学的分类收集、资源化处理和再利用技术,将绿化废弃物转化为园林有机肥料、铺装材料和生态护坡材料等园林建设资源,建立起绿化废弃物循环利用体系,实现园林绿化建设与环境保护的协调发展,推动城市生态文明建设。
摘要:在机械装配作业中,钳工技术重要性较为凸显,该技术涉及诸多种类,每项技术的适用范围和应用要点都存在差异,且对技术人员的技术水平要求也较高。本文首先分析了机械装配作业中几种常见的钳工技术,又从创新视角探究了钳工技术在机械自动化装配中的具体应用及其在不同场景中的实践效果,旨在提升钳工技术工作者的技术水平,使其借助钳工技术持续提升机械装配作业质量和效率。
摘要:加油机作为燃油加注的计量器具,属国家强制检定的计量器具,是必须经检定合格后方能投入使用的。为保证消费者的合法权益,必须对加油机进行有效检定,只有这样才能让消费者放心满意。当前,部分加油站存在着一些加油机计量作弊的行为,这些作弊行为会对社会产生极其恶劣的影响,更不利于计量领域的快速发展。因此,必须综合采取多种措施,才能有效防止加油机的计量作弊行为,从而保护消费者的合法权益。文章首先分析了加油机的工作原理,其次探讨了加油站计量作弊的行为及影响,最后探索了加油机计量作弊的防治要点及应注意的问题,希望本文能为相关从业人员提供一些参考和借鉴。
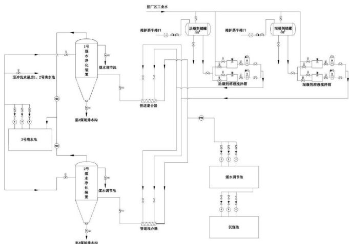
摘要:本文针对如何提高火力发电厂输煤系统含煤废水处理系统的出水质量、出水效率和节能降耗等问题,从系统处理工艺着手分析,通过对原废水处理系统的管阀系统进行改造,保证废水系统运行参数稳定运行,同时,通过延长废水分级沉淀时间、改进加药配比方法、规范运行方式等方面的进一步优化,着重源头物理沉淀控制,规范后期化学反应处理,大大提升系统废水入口水量、加药量控制的精确性、可操作性,提升系统处理效率和出水合格率。经改造,目前该系统出水质量合格率达到 95% 以上,加药量减少 50% ,大大提高了系统的使用效率和出水合格率,节能降耗效果明显,节约了生产成本。